In addition to a critical analysis of landscape in Shoah, my research includes the development and presentation of two creative projects: LANDMARKS and Dachau Brick. These pieces document my visits and material relationship to a number of Holocaust-related sites in Poland and Germany.
Dachau Brick (in progress) is a 16mm film installation that explores Holocaust-related sites in Germany, and documents my attempt to return a disintegrating brick to the Dachau crematorium. For this piece, I also filmed 360-degree panoramas at 12 separate Holocaust-related memorial sites throughout Germany, ending production at the site of the Hadamar psychiatric hospital .
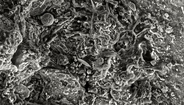
Through examining the brick as artifact, I also captured multiple images of its crumbling surface using a scanning electron microscope at 10,000x magnification.
- Still from Dachau Brick. Scanning electron microscope image of brick. Dachau, Germany and Reading, UK (2014).

The panoramas, the documented attempt at returning the brick, and the microscopy images of the brick will be digitally rear-projected from beneath a translucent Plexiglas stage, such that the floor effectively becomes a light box. In order to see the moving collage of projections, viewers will walk over the images as if to move through the sites themselves.
Like LANDMARKS, Dachau Brick is a visual response to the representation of landscape in Shoah, though all three works maintain their own relationships to traumatic space, and its inability to be fully captured.
- Still from Dachau Brick. Scanning electron microscopy image of brick. Dachau Germany and Reading (2014).

You must be logged in to post a comment.